Next Page |  Previous Page |  Small |  Large |  Index

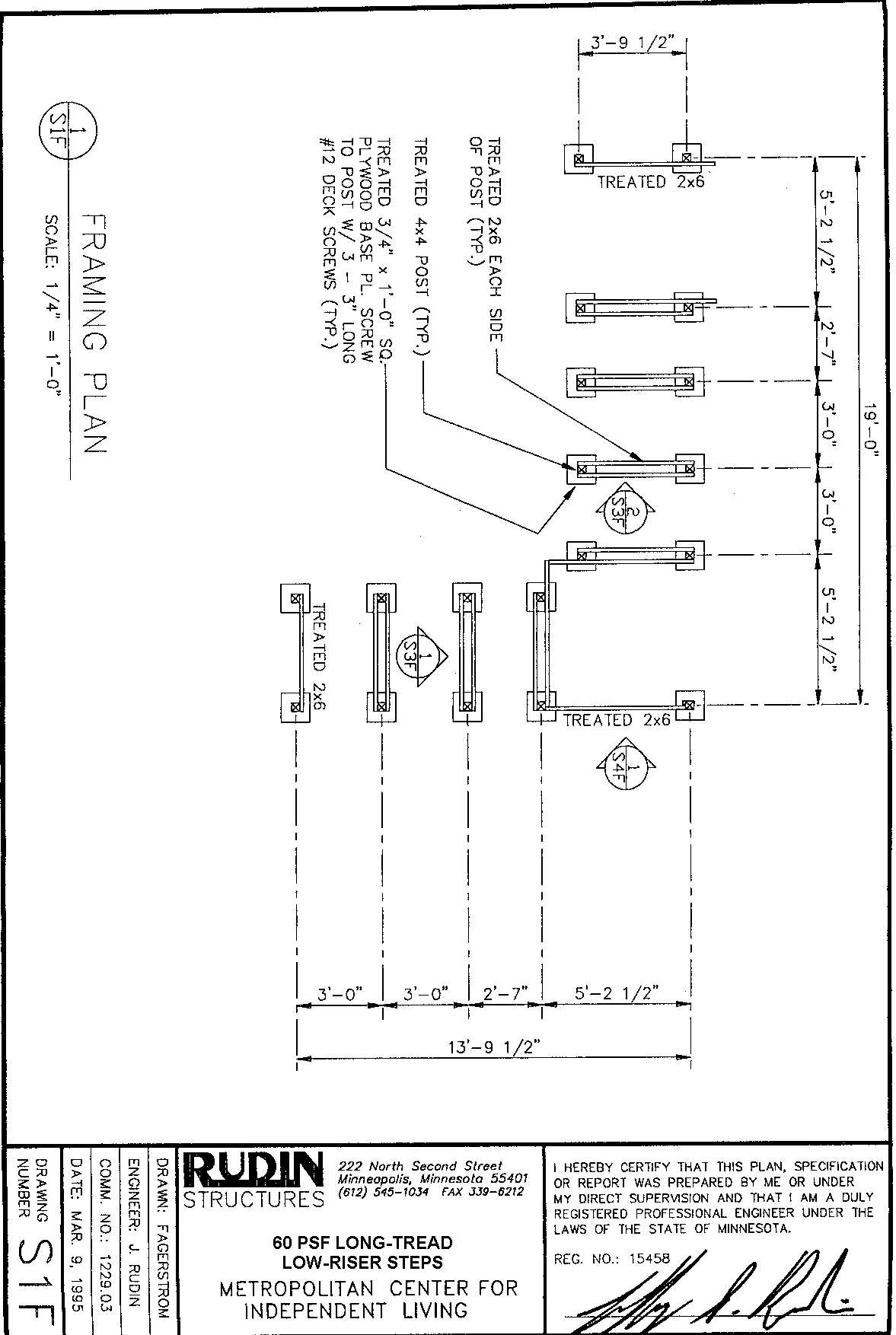
Rudin Drawing: Enlarged Framing Plan S1F

[engineering drawing of framing plan]

Click here for smaller (25kb) version


Next Page |  Previous Page |  Small |  Large |  Index